网站首页
Home
产品目录
Directo
油封密封件
Oil Seal
液压密封件
Hydraulic Seal
橡胶密封件
Rubber Seal
密封件行业
Seal Industry
关于国昊
About
新闻资讯
News
联系国昊
Contacl
产品类型
环境类型
应用行业
模具厂家
航天航空
泵生产厂家
油缸生产厂家
气缸生产厂家
阀门生产厂家
电主轴生产厂家
电磁阀生产厂家
公司简介
先进设备
企业风采
合作伙伴
产品视频
国昊动态
问题解答
技术支持
行业动态
联系我们1
在线留言
专属您的密封圈
一站式生产厂家
个性化应对“各式场景油封”解决方案商
微信在线咨询
密封圈
定制服务热线
182-0085-0198
134-2193-4786
上一个
下一个
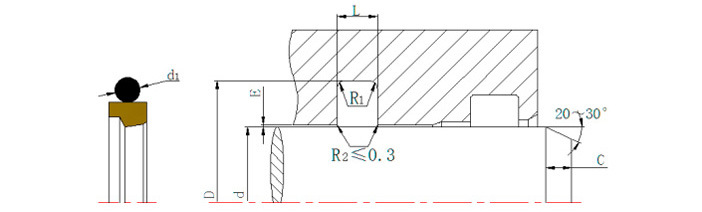
轴用组合斯特封
良好的动静密封性能,抗挤出性好,形状是O型密封圈,压力机、挖掘机、冶金机械、装载机、化工机械
产品详情
咨询服务热线
134-2193-4786
添加个人微信
立即咨询
产品中心
产品类型
环境类型
应用行业
查看更多
密封件行业
模具厂家
航天航空
泵生产厂家
油缸生产厂家
查看更多
新闻资讯
国昊动态
问题解答
技术支持
行业动态
查看更多
关于我们
走进国昊
先进设备
企业风采
合作伙伴
产品视频
134-2193-4786
周一到周六 9:00 - 21:30
(欢迎来电咨询)
售后、售前在线服务
添加个人微信
微信公众号
粤ICP备17109123号